商品信息
基本参数
- 产地江苏
- 品牌
- 产品型号
- 产品操作
- 产品应用范围
- 产品材料等级
- 产品表面处理
- 品牌苏州长轮
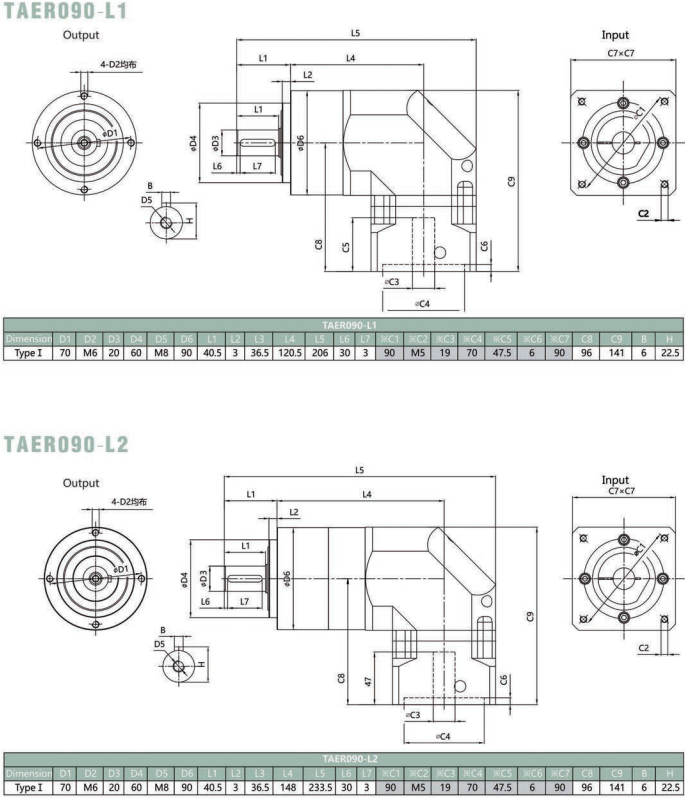
- 型号TAB-TVB-TAE-TAD-TVD-TABR-TVBR-TAER-TADR
- 类别行星减速机
- 用途减速机
- 级数12极
- 齿轮类型其他
- 产品认证其他
- 安装形式自由安装
- 布局形式同轴式
- 是否进口是
- 加工定制是
- 输入转速6000(rpm)
- 输出转速3000-10000(rpm)
- 许用扭矩1.8倍-2.5倍(N.m)
- 工作效率92-97(%)
- 产地日本
- 厂家日本东京日精减速机
产品简介:
产品详情:TAER减速器机能:
1.低噪声:采用斜齿轮设计,使减速机运行稳定平静。
2,高刚性,高扭矩:输出轴采用大大小,大跨度的双支撑滚珠轴承设计,大大提高了减速器的刚性和扭矩。
3,效率高:单级可达93%以上,双级可达90%以上。
4.免维护:润滑脂磨损少,可以终生润滑。
5,密封效果好:润滑脂具有粘度高,不易分开的特征,并采用IP65防护等级,保证润滑脂不外泄。
6.节省空间:角壳采用一体化设计,不仅可以确保减速机的运行精度,还可以节省安装空间。
7.适应性广:适用于任何类别的伺服电机。
