基本参数
- 产地江苏
- 品牌
- 产品型号
- 产品操作
- 产品应用范围
- 产品材料等级
- 产品表面处理
- 品牌苏州长轮
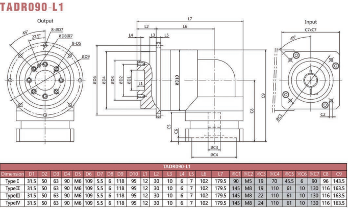
- 型号TAB-TVB-TAE-TAD-TVD-TABR-TVBR-TAER-TADR
- 类别行星减速机
- 用途减速机
- 级数12极
- 齿轮类型其他
- 产品认证其他
- 安装形式自由安装
- 布局形式同轴式
- 是否进口是
- 加工定制是
- 输入转速6000(rpm)
- 输出转速3000-10000(rpm)
- 许用扭矩1.8倍-2.5倍(N.m)
- 工作效率92-97(%)
- 产地日本
- 厂家日本东京日精减速机
产品简介:
产品详情:TADR减速器功用:
1.低噪声:采用斜齿轮设计,使减速机运作稳定寂静。
2,高刚性,高负载:法兰式输出,采用跨度式双支撑角接触球轴承设计,大大提高了减速机的刚性和承载能力。
3,效率高:单级可达93%以上,双级可达90%以上。
4.免维护:润滑脂磨损少,可以终生润滑。
5,密封效果好:润滑脂具有粘度高,不易分开的特色,并采用IP65防护等级,确保润滑脂不泄露。
6.节省空间:角壳采用一体化设计,不仅可以确保减速机的运行精度,还可以节省安装空间。
7.适应性广:适用于任何类别的伺服电机。
减速器内部构造
1.输出轴采用大尺码,大跨度的双支撑滚珠轴承设计,以确保其挽回刚度。
2.外壳与内齿圈采用一体式设计,淬火回火后的齿轮整形处理,使其兼具高扭矩,耐磨性和高精度。表面经过镀镍防锈处理,大大提高了其使用寿命。耐腐蚀和抗氧化。
3.行星轮旋转接口采用满滚针设计,无保持架,增加了接触面积,提高了构造刚度和使用寿命。
4.齿轮由日本材质制成。切割后,将其真空渗碳并热处理至58-62HRC,然后展开精轧处理以获得齿形和齿向,从而确保齿轮的高精度和不错的抗冲击性。
5.角壳采用一体化设计,提高了减速机的运行精度。
6.采用双列球轴承设计以确保减速器的负载能力。
7.螺旋锥齿轮可实现可靠的啮合,以确保接触齿表面上的载重均匀,从而减少了齿隙并减低了减速器的噪声。

